LXW18系列微動(行程)開關 LXW18系列微動(行程)開關符合IEC標準。觸頭動作靈敏、行程小、動作可靠、精度高、壽命長、外形美觀,并具有各種用途的輔助促動件,也可按用戶的特殊需要設計制造各種不同形狀的輔助促動件,該產品的質量技術指標均達到同行同類產品的先進水平。
適用范圍
LXW18系列微動(行程)開關適用額定工作電壓AC380V, DC250V;額定工作電流或功率,AC-12、21A,AC-15、 720VA,DC-12、125V10A、250V3A,DC-13、138W的控制電路中。該產品廣泛應用于鋼鐵、機械、電梯、機床、紡織、輕工、電氣、電子儀器等各種機械設備上作行程控制,限位保護和聯鎖等之用。
結構特點
1.開關內部擁有一個支承在金屬支架上公共跳躍式的彈性 接觸片為動觸頭,與分別固定在兩個銅嵌件上的靜觸頭 組成,接觸形式為單斷點。
2.開關的動靜觸頭和機座均采用新工藝新材料制成,具有 耐電弧性能好,機械強度堅固、安全可靠,杠桿、壓簧、 銷軸均采用優質不銹鋼材料制成。
3.LXW18系列微動(行程)開關主要用于直流場合,具 有磁吹滅弧裝置,能分斷直流大電流回路。
4.LXW18系列微動(行程)開關具有正向動作逆向動作 兩種,逆向動作是該開關的又一大特點。
技術參數
額定絕緣電壓:380V
額定工作電壓:AC380V、DC250V
額定工作電流或功率:AC-12 21A、DC-12 125V 10A、 250V 3A、AC-15 720VA、DC-13 138W
工頻耐壓:2500VAC
接觸電阻:≤30 mΩ
壽 命:機械 100萬次 電氣 10萬次
接線型式

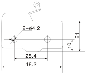
外形及安裝尺寸

產品型號及其含義
